
電子輔料定義:電子裝配工藝所用的輔助材料
范圍:助焊劑、焊錫條、焊錫絲、焊錫膏、膠粘劑、清洗劑等
作用:這些材料的質量好壞與否對電子產品的質量與可靠性有著極其重要的影響
助焊劑是什么?
在PCBA焊接工藝中能幫助和促進焊接過程,同時具有保護作用、阻止氧化反應的化學物質,在焊錫過程中,它是一種不可缺少的輔助材料,其作用極為重要,因此,必須仔細分析產品的技術指標,才能正確選用助焊劑產品,同時也才能盡快準確地分析焊接失效問題,找到解決焊接不良的辦法,以便工藝生產連續順利地進行。
助焊劑的基本要求
· 具有一定的助焊能力或化學活性(保證去除氧化層的能力)
· 具有良好的熱穩定性(保證在較高的焊錫溫度下不分解或失效)
· 具有良好的潤濕性,對焊料的擴展具有促進作用(保證較好的焊接效果)
· 留存于基板的焊劑殘渣少,對焊后材質無腐蝕性,不影響材質的電性能,具有良好的電氣絕緣性能
· 具備良好的清洗性
電子焊接使用的助焊劑主要性能指標有?
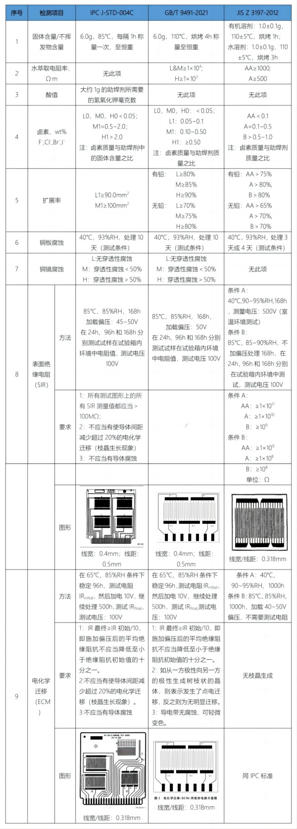
外觀、物理穩定性、密度、粘度、固體含量( 不揮發物含量)、可焊性( 以擴展率或潤濕力表示)、鹵素含量、水萃取液電阻率、銅鏡腐蝕性、銅板腐蝕性、表面絕緣電阻、酸值等。下面對我們實驗室開展的相關檢測項目簡要地進行解析, 以方便理解其含義。
電子焊接用助焊劑的主要性能指標
外觀檢測
助焊劑外觀首先無異物,均勻一致,液體焊劑需透明,任何異物或分層的存在均會造成焊接缺陷。
物理穩定性檢測
通常要求在一定的溫度環境(一般5~45℃)下,產品能穩定存在,否則在炎熱的夏天或嚴寒天氣就不能正常使用。
黏度檢測
黏度是焊接時流動性和涂覆性的重要工藝選擇與控制參數,必須要有粘度的參考的數據,合適的助焊劑粘度,我們可以提高焊接效率,改善焊接質量,為實現優質焊接提供有力支持,所以合理應用助焊劑,才能確保焊接工藝的穩定性和可靠性。
固體含量檢測
表示的是焊劑中的非溶劑部分,實際上它與不揮發物含量意義不同,數值也有差異,后者是從測試的角度講的,它與焊接后殘留量有一定的對應關系,但并非唯一。
可焊性檢測
指標也非常關鍵,它表示的是助焊效果,如果以擴展率來表示,孤立地講它是越大越好,但腐蝕性也會越來越大,因此為了保證焊后良好的可靠性,擴展率一般在80%~92%之間。
鹵素含量檢測
將含鹵素(F、CI、Br、I-)離子的活性劑加入助焊劑可以顯著提高其可焊性,改善焊接效果,但如果含量過多則會帶來一系列的腐蝕問題。例如,焊接后鹵素殘留多時會造成焊點發黑,并循環腐蝕焊點產生白色粉末,因此其含量也是一個非常重要的技術指標,它是以氯離子的當量來表示離子性的氟、氯、溴、碘的總和,由于檢測標準不同可能有不同的表示含義。比如,現行的IPC標準以焊劑中的固體部分作為分母,由于固體部分(即不揮發物含量)通常只占液體焊劑的10%以下,因此它的表示值看起來通常較大,而GB或舊的JIS(日本工業標準)標準則以整個焊劑的質量作為分母,其值就相對較小。
水萃取液電阻率檢測
該指標反映的是焊劑中的導電離子的含量水平,阻值越小離子含量越多,焊后對電性能的影響越大。目前按照樹脂型焊劑的標準要求,低固態或有機酸型焊劑大多達不到A類產品(JIS Z 3283-2006)和GB/T 9491-2021規定的L0,M0,H0類型產品的要求。隨著助焊劑向低固態免清洗方向發展,最新的IPC J-STD-004C標準已經放棄該指標,但在表面絕緣電阻一項指標里加嚴了要求。
酸值檢測
助焊劑的酸值是指在焊接過程中所使用的助焊劑的酸堿性質。通常情況下,助焊劑會被分為酸性、中性和堿性三種類型。助焊劑的酸性值對焊接過程和焊接質量具有重要影響。在同樣的焊接條件下,不同酸值的助焊劑所產生的焊接效果是不同的。一般來說,酸性助焊劑的焊接效果較好,但是對金屬的腐蝕性也較大,需要及時清洗,以免對焊接質量產生影響。
中性助焊劑則既能保證焊接效果,又能減少對金屬的腐蝕,是焊接中使用最廣泛的一種助焊劑。而堿性助焊劑由于酸度較低,腐蝕性也較小,但是焊接效果可能略遜于酸性和中性助焊劑。因此,在選擇助焊劑時,需要根據具體的焊接工藝和所需的焊接效果來選擇適合的助焊劑類型和酸值。同時,在焊接過程中,需要嚴格控制助焊劑的使用量和清洗周期,以保證焊接質量的穩定和可靠。
腐蝕性檢測
助焊劑由于其可焊性的要求,必然會給PCB或焊點帶來一定的腐蝕性。為了衡量腐蝕性的大小,各種標準均規定了腐蝕性的測量方法,其中銅鏡腐蝕是測試使用時當時的腐蝕性大小,銅板腐蝕測試反映的是焊后殘留物的腐蝕性大小,指示的是可靠性指標,各有側重。對有高質量和可靠性要求的電子產品,必須進行該項測試,并且其環境試驗時間需10天(一般7~10天)。
銅鏡腐蝕檢測:
銅板腐蝕檢測:
電氣性能檢測
氣性能最重要的指標是表面絕緣電阻(SIR)和電遷移(ECM),各標準對助焊劑的焊前、焊后的SIR和ECM均有嚴格的要求,因為對用其組裝的電子產品的電性能影響極大,嚴重的可造成信號紊亂,不能正常工作。
按GB或JIS標準的要求SIR最低不能小于1010Ω,而IPC J-STD-004C則要求SIR最低不能小于108Ω,由于試驗方法不同,這兩個要求的數值間沒有可比性,對于某些產品而言,其要求會更高。
IPC、GB、及JIS標準主要的檢測項目比較