冷熱沖擊試驗是溫度變化試驗中的一種,在溫度變化試驗中有慢速變化的測試和快速的 溫變試驗,一般以3℃/min為分界線,冷熱沖擊測試是在特定時間內進行快速溫度變化,轉換時間一般設定為手動2~3分鐘,自動少于30秒,小試件則少于10秒。常用術語中的溫度沖擊試驗也屬于冷熱沖擊試驗。
冷熱沖擊試驗方法及參數
1、冷熱沖擊試驗(氣體)
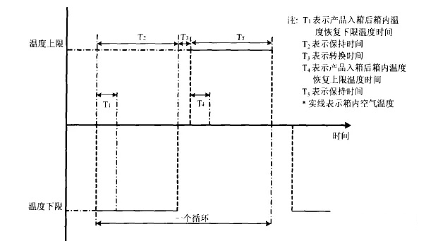
有兩種實現方式,一種為手動轉換,將產品在高溫箱和低溫箱之間進行轉換;另一種為沖擊試驗箱,通過開關冷熱室的循環風門或其它類似手段實現溫度轉換。其中溫度上限、溫度下限為產品的存儲極限溫度值。

2、冷熱沖擊試驗(液體)
此試驗來源于IEC 60068-2-14試驗方法N:溫度變化中的Nc 。實現方式為吊籃式,將產品放置在吊籃中按照要求浸入不同的溫度液體中。則適用于玻璃-金屬密封及類似產品,因此電器產品中不予考核該項目。
各類標準中的冷熱沖擊試驗均來源于IEC 60068-2-14試驗方法N:溫度變化中的Na 。在特定時間內快速溫度變化試驗。試驗目的可以應用于模擬產品遇到極端溫度情況下的工作情況,產品中大量的慢溫度循環,對應實際電子類產品溫度循環,用較快的溫度變化率及更寬的溫度變化范圍。失效模式為因老化和不同的溫度膨脹系數導致的材料裂化或密封失效。