金屬材料由于品種、規格繁多,性能和用途的多異,廣泛應用于冶金、制造、機械、化工、建筑等諸多領域。市場...
查看詳情 +
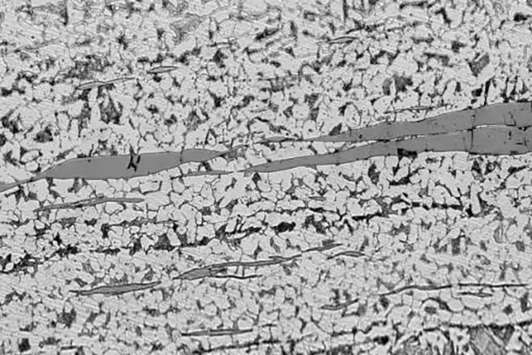
非金屬夾雜物主要來源于在鋼液冷凝過程中,其氧、硫、氮的化合物平衡常數相應增大所形成的各種類型的非金屬...
查看詳情 +
金相分析是研究金屬及其合金內部組織及缺陷的主要方法之一,它在金屬材料研究領域中占有很重要的地位。利用...
查看詳情 +
眾所周知,金相檢測是分析類似金屬疲勞等機械失效原因的主要方法。比如通過金相檢測我們可以了解金屬機件的...
查看詳情 +
耐磨測試四種方法主要有線性往復摩擦測試、旋轉摩擦測試、往復摩擦測試、耐劃傷測試。通過這四中測試方法的...
查看詳情 +
切片分析原理: 切片分析技術是一種用于檢查電子組件、電路板或機構件內部狀況、焊接狀況的分析手段。切...
查看詳情 +
CEC是什么呢? CEC是美國加州能源委員會于2005年12月30日依法實施的電器能效法規(Appliance Efficiency ...
查看詳情 +
中國木質家具的關于甲醛測試的國家標準有GB 18584-2001《室內裝飾裝修材料 木家具中有害物質限量》。木質家...
查看詳情 +
北測可出具CMA+CNAS雙資質的燃香檢測報告,目前北測實驗室測試燃香需要80只樣品,檢測周期為10個工作日,費...
查看詳情 +
酸性鹽霧試驗(ass)是在特定的試驗箱內,將含有(5士0.5)%氯化鈉溶液通過噴霧裝置進行噴霧,調整噴霧壓力及ph...
查看詳情 +
怎樣對手機進行跌落測試:自由跌落測試是模擬用戶在使用過程中從手中、口袋中、或者桌面上跌落到地上過程的...
查看詳情 +
所謂可靠性就是產品在規定的條件下和規定的時間內,完成規定功能的能力產品在設計、應用過程中,不斷經受自...
查看詳情 +
高低溫測試主要針對的范圍包括電工、電子產品,以及其原器件,及其它材料,測試的嚴格程度取決于高低溫呢的...
查看詳情 +
跌落試驗測試是為產品包裝后在模擬不同的棱、角、面于不同的高度跌落于地面時的情況,從而了解產品受損情況...
查看詳情 +
手機可靠性試驗測試的目的是在特定的可接受的環境下不斷的催化產品的壽命和疲勞度,可以在早期預測和評估產...
查看詳情 +
因航空運輸安全,并滿足客戶對含有鋰電池貨物的運輸需求,根據國際航協《危險物品規則》的相關規定,制定出...
查看詳情 +
正弦振動試驗測試的持續時間是描述產品的耐受振動能力的重要參數,目前一般很難給出多長的試驗時間相當于實...
查看詳情 +
霉菌試驗的定義:霉菌試驗是氣候環境試驗的一個項目,用于考核產品或材料抵抗霉菌侵襲的能力,她于一般環境...
查看詳情 +
交變鹽霧試驗是一種綜合鹽霧試驗,它實際上是中性鹽霧試驗加恒定濕熱試驗。主要應用于空腔型的整機產品,通...
查看詳情 +
可靠性測試是為了評估產品在規定的壽命期間內,在預期的使用、運輸或儲存等所有環境下,保持功能可靠性而進...
查看詳情 +